
আসসালামু-আলাইকুম। আমি মোঃ তাজউদ্দিন চৌধুরী। ইলেকট্রনিক্স এর একজন ছাত্র। হয়ে যান ইলেকট্রনিক্স এর মহাগুরু। যাদের ইলেকট্রনিক্স সম্পর্কে আগ্রহ রয়েছে তাদের জন্য আমি একেবারে শুরু থেকে সহজ ভাষায় চেইন টিউন করছি। গত পর্বগুলোতে যারা দেখেন নি তারা দেখে নিতে পারেন। গত পর্বে আমি এসি কারেন্ট ও ডিসি কারেন্ট সম্পর্কে আলোচনা করেছিলাম। আমাদের আজকের বিষয়ঃ ট্রান্সফর্মারের সাহায্যে এসি কারেন্টকে ডিসি কারেন্টে পরিনত করা। আমি কথা না বাড়িয়ে শুরু করছি।
ট্রান্সফর্মার হচ্ছে একটি ইলেকট্রনিক ও ইলেকট্রিক্যাল ডিভাইস। এতে দুই বা ততোধিক ওয়াইন্ডিং বা কয়েল থাকে। এবং এই কয়েলগুলোর যেকোনো একটি কয়েলে কারেন্ট পরিবর্তন হলে অন্য কয়েলে আবেশিত ভোল্টেজ উৎপন্ন হয়। আমরা জানি, কয়েলে বা ওয়াইন্ডিং-এ অল্টারনেটিং কারেন্ট (এসি) প্রবাহিত হলে উক্ত ওয়াইন্ডিং-এ চুম্বক বলরেখা উৎপন্ন হয়ে চুম্বকক্ষেত্র সৃষ্টি হয়। এবং এই সৃষ্ট চুম্বকক্ষেত্রের মধ্যে যদি কোনো কয়েল থাকে, তাহলে উক্ত কয়েলেও ভোল্টেজ উৎপন্ন হয়। একে মিউচুয়াল উন্ডাকশন বলে। এ মিউচুয়াল ইন্ডাকশন নীতিতেই ট্রান্সফর্মার কাজ করে। দ্বিতীয় কয়েলের কারেন্ট বা ভোল্টেজের পরিমান উক্ত কয়েলের প্যাঁচ সংখ্যার উপর নির্ভর করে। ট্রান্সফর্মারের যে কয়েলে বিদ্যুৎ বা সাপ্লাই প্রয়োগ করা হয়, তাকে প্রাইমারি কয়েল এবং যে কয়েল থেকে বিদ্যুৎ গ্রহন করা হয় তাকে সেকেন্ডারি কয়েল বলা হয়। ট্রান্সফর্মার মূলত ভোল্টেজ বৃদ্ধি বা উচ্চ ভোল্টেজ থেকে নিম্ন ভোল্টেজে রূপান্তর করার কাজে ব্যবহৃত হয়।
নিচে একটি স্টেপ ডাউন ট্রান্সফর্মার এর ছবি দেয়া হলঃ
যে সার্কিট অল্টারনেটিং (এ.সি) কারেন্টকে ডাইরেক্ট (ডি.সি) কারেন্টে রূপান্তর করে, তাকে রেকটিফায়ার বা রেকটিফায়ার সার্কিট বলে। রেকটিফায়ার মূলত A.C কে পালসেটিং ডিসি (Pulsating D.C) তে রূপান্তর করে। পালসেটিং ডিসি সম্পর্কে পরের অনুচ্ছেদে বিস্তারিত বলা হয়েছে।
নিচের চিত্রে দেখুন রেকটিফায়ার ডায়োডঃ

যে পদ্ধতি বা কৌশলে রেকটিফাই করা হয় বা যে পদ্ধতিতে এসি কারেন্টকে ডিসি কারেন্টে পরিনত করা হয় তাকে রেকটিফিকেশন বলে। রেকটিফায়ার সার্কিট দুই প্রকারঃ
ফুল ওয়েভ রেকটিফায়ার আবার দুই প্রকার। আমরা সে আলোচনায় যেতে চাই না। আমরা শুধুমাত্র হাফওয়েভ রেকটিয়ায়ার এবং ফুল ওয়েভ ব্রিজ রেকটিফায়ার সম্পর্কে আলোচনা করব।

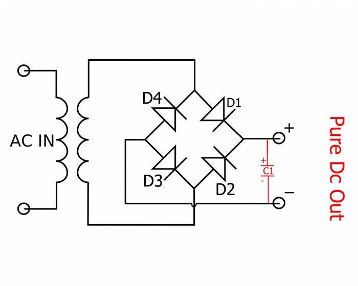
ইঞ্জিনিয়ারিং এর ভাষায় চার বাহু বিশিষ্ট সার্কিট বা ব্যবস্থাকে ব্রিজ বলা হয়। ফুল ওয়েভ ব্রিজ রেকটিফায়ারে চারটি ডায়োড ব্যবহার করা হয়। তবে হাফ ওয়েভের তুলনায় ফুল ওয়েভে অধিক কর্মদক্ষতা দিতে পারে। নিচের চিত্রটি দেখুনঃ
ফিল্টারের অর্থ হচ্ছে অপ্রয়োজনীয়, অনাকাঙ্খিত অংশ বা কম্পেনেন্টকে (উপাদানকে) বাদ দেয়া বা পরিহার করা বা মুছে ফেলা। যে সার্কিটের সাহায্যে এই ফিল্টারিং এর কাজ করা হয়, তাকে ফিল্টার সার্কিট বলে। রেকটিফিকেশন করার পর প্রাপ্ত ডিসি কারেন্ট এর সাথে কিছু এসির কম্পোনেন্ট বিদ্যমান থাকে একে পালসেটিং ডিসি বলা হয়। এখানে ফিল্টার সার্কিটের কাজ হচ্ছে রেকটিফায়ার সার্কিট থেকে প্রাপ্ত পালসেটিং ডিসি আউটপুটকে পিউর ডিসিতে রূপান্তর করা। ফিল্টার বিভিন্ন ধরনের হয়। যথাঃ
আমরা শুধু ক্যাপাসিটর ফিল্টারের সংযোগ দেখব। এটাই বহুল ব্যবহৃত।


আশা করি আপনারা সবাই রেকটিফিকেশন ও ফিল্টারিং এর মাধ্যমে এসি কারেন্টকে ডিসি কারেন্টে রূপান্তর করতে পারবেন। তারপরেও কোন সমস্যা বা জিজ্ঞাসা থাকলে জানাবেন। আমি ইলেকট্রনিক্সের একজন ছাত্র হিসেবে সহজ উপায়ে সমাধানের চেষ্টা করব।
আজ এ পর্যন্তই। আগামী টিউনে আবার কথা হবে। সেই পর্যন্ত সবাই ভালো থাকবেন। কারো কোনো প্রশ্ন থাকলে টিউমেন্ট বক্সে জানাবেন। ভাল থাকেবেন সবাই। আসসালামু-আলাইকুম।
আমি মোঃ তাজউদ্দিন চৌধুরী। বিশ্বের সর্ববৃহৎ বিজ্ঞান ও প্রযুক্তির সৌশল নেটওয়ার্ক - টেকটিউনস এ আমি 13 বছর 6 মাস যাবৎ যুক্ত আছি। টেকটিউনস আমি এ পর্যন্ত 11 টি টিউন ও 49 টি টিউমেন্ট করেছি। টেকটিউনসে আমার 4 ফলোয়ার আছে এবং আমি টেকটিউনসে 0 টিউনারকে ফলো করি।
khub sundor post