
প্রজেক্ট বুক ১ : https://www.techtunes.io/electronics/tune-id/207973
প্রজেক্ট বুক ২ :https://www.techtunes.io/electronics/tune-id/208501
প্রজেক্ট বুক ৩ :https://www.techtunes.io/electronics/tune-id/208667
প্রজেক্ট বুক ৪ : https://www.techtunes.io/electronics/tune-id/208761
প্রজেক্ট বুক ৫ : https://www.techtunes.io/electronics/tune-id/287513
আসসালামুয়ালাইকুম ,
আমরা আমাদের বাড়ি ঘরে কম বেশি পানির ট্যাঙ্ক ব্যাবহার করি। আর এইসব ট্যাঙ্কের জন্য আমাদের কিছু অতিরিক্ত কাজ করতে হয় আর টা হল কখন পানি ভরল আর কখন ট্যাঙ্ক খালি হল। সকালে ঘুম থেকে উথে দেখলেন ট্যাঙ্ক খালি। তখন চিন্তা করুন আপনার দিনটা কেমন যাবে ? আর টা যদি আপনি আগে থেকেই সতর্ক থাকতে পারেন তাহলে কেমন হয়। পানি ভরে গেলে অথবা পানি খালি হয়ে গেলে যদি স্বয়ংক্রিয় ভাবে আপনি টের পেয়ে যান তাহলে আর কোন বিব্রত পরিস্থিতিতে পড়তে হবে না।
খুব সহজেই আপনি বানাতে পারেন আপনার বাসার জন্য এমন একটি সার্কিট । আমি আজকে আপনাদের এই সহজ সার্কিট টি নিয়ে কিছু আলোচনা করব । বছর খানেক আগে আমার ভার্সিটির একটি সাবজেক্ট এ আমি এই ছোট প্রোজেক্ট টি দেখিয়েছি । যদিও আমার সেই সার্কিটের কোন ছবি নেই আমার কাছে । নিছে আমি নেট থেকে নামান একটি সার্কিট নিয়ে বিস্তারিত বলছি । আর এই সার্কিটটি অনেকটাই সঠিক । টার পর ও যদি কেও কোন সমস্যায় পরেন আল্লাহ ভরসা আর আমি ত আছি 😆

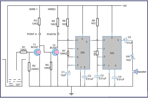
এটি হল সেই সার্কিট । আমরা হয়ত অনেকেই জানি যে পানি হল খুব ভাল মানের একটি conductor যার মধ্য দিয়ে কারেন্ট চলা চল করতে পারে ।
এখানে একটি বড় তার ট্যাঙ্কের একেবারে নিচে আরেকটি তার ট্যাঙ্কের মুখের কাছাকাছি । এছাড়াও এতে আছে
এখন আসি আসল কথায় । কিভাবে এটি কাজ করবে ? আগেই বলেছি পানি একটি কন্ডাক্টর হিসেবে কাজ করে । আর তাই যখন পানি উপরের তার টি ছুঁয়ে ফেলে তখনি দুটো তার শর্ট হয়ে যায় এবং T1 Transistor BC 547 এ একটি ইনপুট ভোল্ট পায় এবং পয়েন্ট A হাই হয়ে যায় কিন্তু পয়েন্ট B cutoff হয়ে যায় যা পরের T2 Transistor BC 547 এ র ইনপুটে গিয়ে একে চালু করে । পরবর্তীতে এই ভোল্টেজ প্রথম ৫৫৫ টাইমারে যায় যেটা পরের ৫৫৫ টাইমারের রিসেট পিনে ইনপুট হিসেবে গিয়ে হাই Frequency আউটপুট দেয় । এবং এরি মাধ্যমে স্পিকার এ একটি শক্তিশালি ভোল্টেজ যায় যার ফলে স্পিকার বেজে উঠে এবং আপনিও বুঝে জাবেন যে পানি ভরে গেছে । আবার ঠিক একি ঘটনা যদি পানি কমতে কমতে একেবারে নিচে নেমে যায় । ঠিক তখনি আপনি হয় সুইচ অন করবেন অথবা অফ করে দিবেন । এটা হচ্ছে একেবারে বেসিক কথা বার্তা । এবার আসি লজিকাল কিছু কথা ।
আমরা কেন এখানে ক্যাপাসিটর ব্যাবহার করলাম স্পিকার এর আগে । সরাসরি আউতপুট দিলেই ত হত । আসলে ক্যাপাসিটর হল স্টোরেজ ডিভাইস । এর কাজ হল ভোল্টেজ স্টোর করা । এটা একটা নির্দিষ্ট সময় পর্যন্ত ভোল্টেজ জমা করে এবং একটা সময় পড়ে সেটা ছেড়ে দেয় । এতে যে সুবিধা হয় স্পিকার সবসময় নির্দিষ্ট ভোল্টেজ পাবে এবং ঠিক ভাবে বাজবে । কিছু ডিভাইস আছে যে গুলতে একি ধরনের নির্দিষ্ট ভোল্টেজ দিতে হয় সবসময় লাগে যেমন স্পিকার । সো সেই সব জায়গায় আপনাকে ক্যাপাসিটর ব্যাবহার করতে হবে । আপনারা খেয়াল করলে দেখতে পাবেন সব সময় স্পিকার এর সামনে একটা ক্যাপাসিটর থাকেই । আর variable রেসিস্তর ব্যাবহার করলাম স্পিকার এর ভলিউম কমান বাড়ানোর জন্য । এখানে স্পিকার ৮ ওহম ০.৫ ওয়াটের ।
ব্যাপারটা কি আপনার কাছে একটু জটিল মনে হচ্ছে ? কোন সমস্যা নেই । আপনি নিচ্ছয় থ্রী ইডিয়ট মুভিটা দেখেছেন । সেখানে আপনি কি দেখেছেন যখন প্রথম রাতে সবাইকে দাড় করিয়ে রেগ দেয়া হচ্চিল আর এক সিনিয়র আমির খানের রুমের বাহিরে মুত্র বিসর্জন করে আর ঠিক তখনি কারেন্টের একটি ঝাটকা লাগে । এখানেও অনেকটা সেই থিয়োরি দেয়া হছে কারন পানি হচ্ছে ইলেক্ট্রিসিটির খুব ভাল কন্ডাক্টর আর লবনাক্ত পানি (মুত্র) হচ্ছে উৎকৃষ্ট কন্ডাক্টর ।
এর পরেও যদি আপনি মনে করেন এত ঝামেলায় জাবেন না তাহলে আপনার জন্য আছে আরেকটি সার্কিট । নিছের এই সার্কিটটি ব্যাবহার করুন ।

চাইলে আপনি এই সারকিতের লাইটের অংশ লম্বা তার দিয়ে আপনার বাসায় নিয়ে জেতে পারেন আর লাইটের সংখার উপর নিজেই বুঝে নিতে পারেন পানি কততুকু কমেছে বা বেড়েছে । আশা করছি এখন আর কোন কস্ত হবে না । আজ এই পর্যন্তই । ইচ্ছা ছিল এই সার্কিট আপনাদের জন্য সিমুলেটিং করে আনব । কিন্তু বেস্ততার জন্য পারলাম না বলে দুঃখিত । খোদা হাফেয ।
স্কাইপে : addabazi
ফেসবুক : [email protected]
আমি মুন্না। বিশ্বের সর্ববৃহৎ বিজ্ঞান ও প্রযুক্তির সৌশল নেটওয়ার্ক - টেকটিউনস এ আমি 14 বছর 8 মাস যাবৎ যুক্ত আছি। টেকটিউনস আমি এ পর্যন্ত 18 টি টিউন ও 231 টি টিউমেন্ট করেছি। টেকটিউনসে আমার 0 ফলোয়ার আছে এবং আমি টেকটিউনসে 1 টিউনারকে ফলো করি।
ACTUALLY , i am a introvert type boy . But i think it's the time to open before my friends.
onek sundor hoise apnake onek dhonnobad